歡迎來到北京康高特 - 只為給你更好的測試體驗,只為讓我們成為更好的自己! English 中文

telphone

電氣裝置的測量原理及實踐(四) 接地電阻部分(下)

來源:北京康高特儀器設備有限公司 發布時間:2016-03-04 11:06:01 作者: 瀏覽次數:3368次 分類:技術文章

1、接地系統只有一個棒狀接地電極

       測量結果=U/I=R-----E

       其中:

         U:通過內部電壓表測得的P1和P2之間的電壓值

         I:從C1和C2兩端口施加到回路中的電流

       只有一個接地電極,因此測量非常簡單。建議使用4線測試法而不是3線測試法,因為4線測試法不用考慮測試夾的接觸電阻以及待測電極表面的生銹情況,這些不會對4線測試法造成影響。

測量時,接地棒可以按直線排列,也可按等邊三角形排列。


2、接地系統只有一個帶狀接地電極

       測量結果=U/I=R-----E

       其中:

          U:通過內部電壓表測得的P1和P2之間的電壓值

         I:從C1和C2兩端口施加到回路中的電流

       這種測試方法與上節中的相似,區別在于接地電極為帶狀電極,因此需考慮其長度,如上圖所示 。

測量時,接地棒可以按直線排列,也可按等邊三角形排列。


3、復雜接地系統(多個電極并聯)

       在這些系統中,以下兩點非常重要:

       ?接地系統的總接地電阻REtot,等于多個接地電極的并聯電阻。足夠低的總接地電阻可以完全避免設備故障時受到電擊,但是當有大氣放電現象(例如雷擊)的時候可能不會提供有效保護。

       ?RE1...REn是并聯的接地電極


       當接地系統用于保護不受雷擊,這些電阻必須足夠低。大氣放電非常迅速,放電電流中含有高頻成分,當接地系統中存在任何感性成分時,對這些高頻電流會產生很大的阻抗。因此不能將電流導入大地,這將會造成災難性的后果。


       若系統中在不同的位置安裝一些避雷針,則會很好的解決這個問題,尤其是接地電阻比較高的情況下。避雷針的特殊構造會吸引雷電,并將其引入大地。在避雷針系統的周圍可能會存在很高的電廠及氣體電離現象。


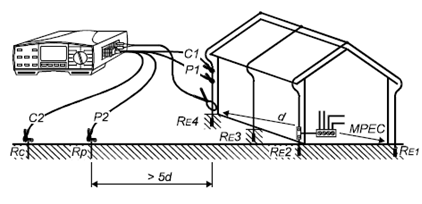
3.1測量總接地電阻

       (a)四線,兩探頭原理

       電壓及電流測試桿的安裝位距離接地系統比較遠,因此接地點可看做為一點。其中d為接地系統中,相距*遠的兩個接地電極的距離。電流探頭的距離至少為5d。


       測量結果=U/I=R-E1//R-E2//R-E3//R-E4//=R-Etot


       這種方法的優點是測量結果*可靠,缺點是安裝探頭過程中需要很長的距離,在城市中這種測量方法很不方便。


       (b)僅使用兩個電流夾鉗,無需接地桿

       當接地系統中有附加的接地電極,或總接地電阻較小時,可使用該方法。這種情況常見于城市已建區域。

       上圖中:

       RE1-RE4為待測接地系統中單個的接地電阻

       RE5-REn為輔助接地系統中(總接地電阻較小)單個的接地電阻

       r為兩個電流夾鉗之間的距離,至少為30cm。

       下圖為接地系統的等效電路圖:

       測量結果=(RE1-RE4接地系統總的接地電阻)+(RE5-REn輔助接地系統接地電阻)

       若假設RE1-RE4阻值遠大于RE5-REn阻值,那么:

       測量結果≈RE1-RE4接地系統總的接地電阻


3.2單個接地電阻的測量

       (a)   斷開待測的接地電極,使用4線2探頭的方法測量

       結果=U/I=RE4

       這種測量方法的缺點是,測量前需要斷開待測接地電極的電路,有時候接口處會有生銹,不易斷開;優點是測量結果*可靠


       (b)   斷開待測的接地電極,使用4線2探頭的方法測量

       結果=RE4+(RE1//RE2//RE3),若RE1//RE2//RE3遠低于RE4,則:

       結果≈RE4


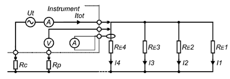
       (c)   使用4線2探頭,并結合測試夾鉗測量接地電阻

       下圖為測量的等效電路:

       其中:

       U-t-為測試電壓

       RC為電流測試探頭的電阻

       RP為電壓測試探頭的電阻

       Itot為由測試電壓U-t產生的總電流,由電流探頭測得

       I1-I4為電路分流


       (d)僅使用兩個夾鉗測量

       

相關產品